
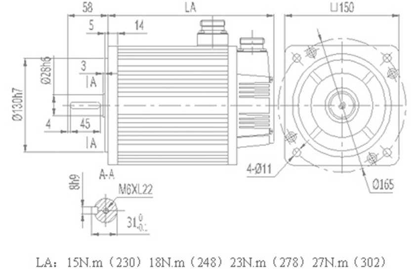
150系列伺服电机参数表
| 电机型号 |
150ST-M15025 |
150ST-M15020 |
150ST-M18020 |
150ST-M23020 |
150ST-M27020 |
150ST-M23015 |
||
|
额定功率 (KW) |
3.8 |
3.0 |
3.6 |
4.7 |
5.5 | 3.6 | ||
|
额定线电压 (V) |
220 |
220 |
220 |
220 |
380 | 220 | 220 | 380 |
|
额定线电流 (A) |
17 |
14 |
17 |
21 |
12 | 24 | 17 | 8.5 |
|
额定转速 (rpm) |
2500 |
2000 |
2000 |
2000 |
2000 | 1500 | ||
|
额定力矩 (N.m) |
15 |
15 |
18 |
23 |
27 | 23 | ||
|
峰值力矩 (N.m) |
30 |
30 |
36 |
46 |
54 | 46 | ||
|
峰值电流 (A) |
|
|
|
|
nbsp | nbsp | ||
|
反电势 (V/krpm) |
59 |
70 |
71 | 72 | 126 | 64 | 90 | 181 |
|
力矩系数 (N.m/A) |
0.88 |
1.07 |
1.05 |
1.09 |
1.92 | 1.1 | 1.35 | 2.7 |
|
转子惯量 (Kg.m2) |
3.88×10-3 |
3.88×10-3 |
4.6×10-3 |
5.8×10-3 |
6.8×10-3 | 5.8×10-3 | ||
|
绕组(线间) 电阻 (Ω) |
0.23 | 0.34 | 0.255 | 0.2 | 0.633 | 0.125 | 0.3 | 1.2 |
|
绕组(线间) 电感 (mH) |
1.08 | 1.55 | 1.3 | 1.06 | 3.25 | 0.7 | 1.66 | 6.64 |
|
电气时间常数 (ms) |
4.7 | 4.56 | 5.1 | 5.3 | 5.1 | 5.6 | 5.53 | 5.53 |
|
重量 (Kg) |
15.2 | 15.2 | 17.2 | 21 | 23.5 | 21 | ||
|
编码器线数 (PPR) |
2500 | 2500 | 2500 | 2500 | 2500 | 2500 | ||
|
电机绝缘等级 |
Class B(130℃) | |||||||||||||||
|
防护等级 |
IP65 | |||||||||||||||
|
使用环境 |
环境温度:
环境温度: -20℃ ~ +50℃ 环境湿度:相对湿度<90%(不结霜条件) |
|||||||||||||||
|
电机绕组插座 |
绕组引线 | U | V | W | PE | |||||||||||
| 插座编号 | 2 | 3 | 4 | 1 | ||||||||||||
|
编码器插座 |
信号引线 |
5V |
0V |
A+ |
B+ |
Z+ |
A- |
B- |
Z- |
U+ |
V+ |
W+ |
U- |
V- |
W- |
PE |
|
插座编号 |
2 | 3 | 4 | 5 | 6 | 7 | 8 | 9 | 10 | 11 | 12 | 13 | 14 | 15 | 1 | |
|
|
|
|
|
|
|
|
|
|
|
|
|
|
|
|||