
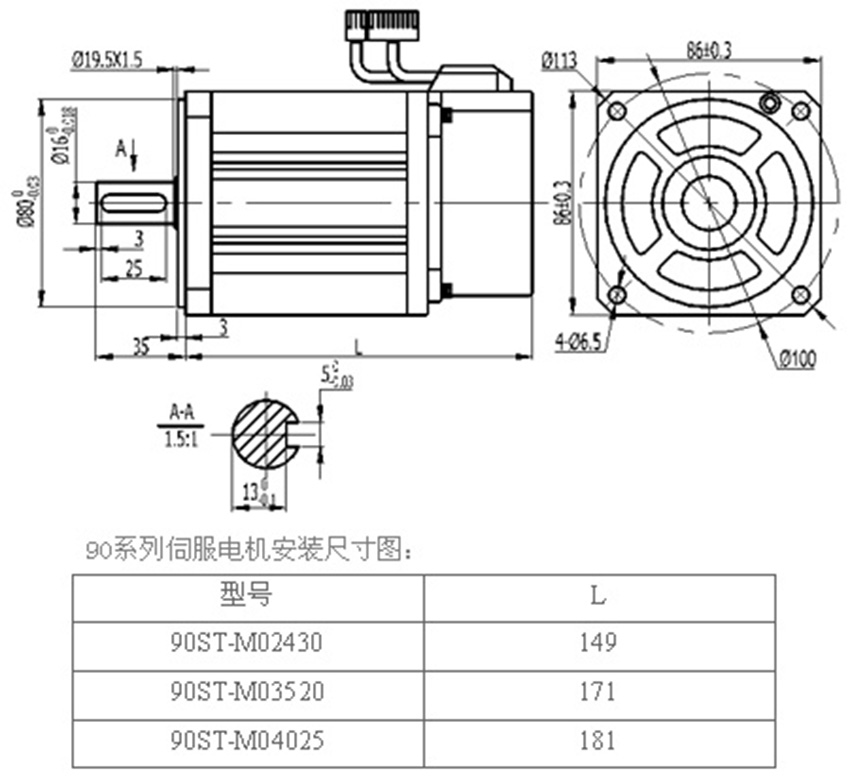
90系列伺服电机参数表
| 电机型号 |
90ST-M02430 |
90ST-M03520 |
90ST-M04025 |
|
额定功率 (KW) |
0.75 |
0.73 |
1.0 |
|
额定线电压 (V) |
220 |
220 |
220 |
|
额定线电流 (A) |
3 |
3.0 |
4 |
|
额定转速 (rpm) |
3000 |
2000 |
2500 |
|
额定力矩 (N.m) |
2.4 |
3.5 |
4 |
|
峰值力矩 (N.m) |
7.1 |
10.5 |
12 |
|
峰值电流 (A) |
9 |
9 |
12 |
|
反电势 (V/krpm) |
51 |
67 |
60 |
|
力矩系数 (N.m/A) |
0.8 |
1.2 |
1.0 |
|
转子惯量 (Kg.m2) |
2.45×10-4 |
3.4×10-4 |
3.7×10-4 |
|
绕组(线间) 电阻 (Ω) |
3.2 |
4.06 |
2.69 |
|
绕组(线间) 电感 (mH) |
7.0 |
9.7 |
6.21 |
|
电气时间常数 (ms) |
2.2 |
2.39 |
2.3 |
|
重量 (Kg) |
3.4 |
3.8 |
4.13 |
|
编码器线数 (PPR) |
2500 |
2500 |
2500 |
|
电机绝缘等级 |
Class B(130℃) |
|||||||||||||||
|
防护等级 |
IP65 |
|||||||||||||||
|
使用环境 |
环境温度: -20℃ ~ +50℃ 环境湿度:相对湿度<90%(不结霜条件) |
|||||||||||||||
|
电机绕组插座 |
绕组引线 |
U |
V |
W |
PE |
|||||||||||
|
插座编号 |
1 |
2 |
3 |
4 |
||||||||||||
|
编码器插座 |
信号引线 |
5V |
0V |
B+ |
Z- |
U+ |
Z+ |
U- |
A+ |
V+ |
W+ |
V- |
A- |
B- |
W- |
PE |
|
插座编号 |
2 | 3 | 4 | 5 | 6 | 7 | 8 | 9 | 10 | 11 | 12 | 13 | 14 | 15 | 1 | |
|
颜色 |
|
|
|
|
|
|
|
|
|
|
|
|
|
|
||