×
搜索
搜索
网站导航
首 页
产品中心
关于宇强
下载中心
成功案例
在线留言
联系我们
新闻中心
您的位置:
首页
→
NRV90
上一个:NMRV90
下一个:NMRV110
详情介绍
选型参考
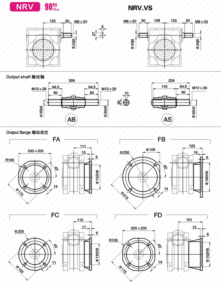
安装尺寸
选型范例
使用说明
东莞市宇强机电科技有限公司 版权所有 © Copyright 2019