0.75KW-GV立式-单相/三相(刹车)减速电机
上一个:0.4KW-GV立式-单相/三相(刹车)减速电机 下一个:1.5KW-GV立式-单相/三相(刹车)减速电机
详情介绍
选型参考
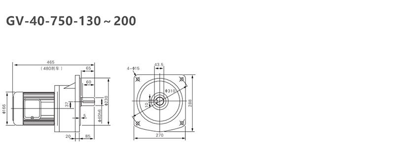
安装尺寸
选型范例
使用说明

齒輪箱減速馬達使用說明書

歡迎選用齒輪減速馬達(減速機)。使用前請參照次說明書進行相關安裝。

1 使用前

1、請檢查產品型號、電機功率、電機額定電壓、安裝方式、減速比及出力軸尺寸是否符合您的要求,如有不符,請及時與您的經銷商聯系,以便及時處理。

2、在減速箱上有膠栓的減速馬達(減速機)需將膠栓上面黃色的小膠栓拔掉,否則經長時間連續運行後有漏油的危險。

2 使用環境

1、請無在爆炸型環境、易燃性氣體環境、腐蝕性環境、以及漏水的環境使用次減速馬達。

2、請勿強行彎曲、拉扯或夾住電源。電纜線和電機導線。

3、電機安裝完成後,必須使用接地線良好接地,接地線位置位于接線盒上面。

4、安裝、連接、檢查等需由專業技術人員進行。

5、安裝環境必須乾燥且通風良好,周圍溫度-5℃~40℃之間,異常高溫或低溫時特別注明。

6、齒輪減速馬達需安裝在平整且堅固的底座上。

3 安裝

1、當使用聯軸器連接輸出軸時,需安裝固定且務必使兩軸平行,底座需以安裝孔經相適應的螺栓進行安裝,確保齒輪減速馬達緊密牢固。

2、所有安裝在出力軸上的裝備必須輕裝于軸上,勿使用鐵錘及其他鈍器等敲擊出力軸,避免應安裝過緊而引起的軸承損壞。

3、滑輪、鏈輪或齒輪在在裝配時儘量靠近出力軸承以減少彎曲應力。應使用不超過出力軸直徑6倍的鏈輪、皮帶輪等與出力軸連接。使用時請配合H7公差使用,避免使用中發出異常噪音及軸面受損。

4、安裝完成後,可以在出力軸表面塗上適當的防銹油或防銹漆以保護出力軸避免生銹。

5、根據電源電壓,選擇適合的接線方式接好電機線盒內接線。接線盒內接線錯誤會導致電機燒毀。根據電機銘牌上的額定電流,建議按5A/mm2的電流密度選擇合適尺寸的電纜線給電機供電。

6、使用變頻器給帶刹車功能的齒輪減速馬達供電時,需將刹車線(黃色)單獨提供交流220V供電,供電應與齒輪減速馬達供電同步。

7、齒輪減速馬達齒輪箱內已經加注好合適的潤滑油,使用前請勿再加潤滑油。正常使用超過10000小時後,可加放適合的0號潤滑油。

8、安裝完成後,再次檢查齒輪減速馬達安裝面是否平整,確保不能有任何物品頂到電機,否則會造成電機燒毀。

4 使用中

1、使用中電源電壓變動超過10%時,有可能燒毀電機,同時伴有出力扭力降低或異常。

2、電機超負荷運行時有可能燒毀,請在運行初次測試電機電流是否在額定電流值內。

3、電機即使在正常運行狀態,有時表面溫度也會有超過70℃的現象。電機運轉時,若有靠近電機的可能,請製作“高溫注意”圖標並貼于電機顯眼處。

4、電機反轉時,單相電機按接線圖進行調整。三相電機只需要將電源線中兩相對調即可。

5 注意事項

1、請選用標準框號齒輪減速馬達,如特殊原因需選擇縮框型齒輪减速马達時,負載必須地獄正常負載。

2、縮框型標準款號齒輪減速馬達僅電機線圈部分保修一年,齒輪箱部分不保修。如果因齒輪箱損壞而造成線圈部分燒毀,我司將收取維修成本費用。

3、標準款號齒輪減速馬達出廠後,保修一年。如因客戶拆裝或所帶負載原因損壞,我司將收取維修成本費

直流刹车器故障排除

不良原因

原因分析

解決方式

剎車器不動作

未供電源

供應電源

來令片磨損

換新來令片

間隙過大

調整間隙

電源電壓不足

提供正確電壓

電源供應器損壞

電源供應器換新

異物入侵

清潔零件

使用電壓錯誤

使用正確電壓

接線脫落

重新接線

來令片卡死

清潔零件

剎車線圈燒毀

更換剎車線圈

剎車移動

來令片磨損

更換新來令片

間隙過大

調整間隙

來令片沾染油渣

清潔來令片

負載過大

重新設計

剎車表面歪斜

更換零件

下降重量過大

機構重新設計

選用機型錯誤

選用正確機型

環境溫度過高

改善環境溫度

减速机故障排除

不良原因

原因分析

解決方式

噪音

齒輪敲擊聲

齒輪表面受傷

更換受傷齒輪組

連續性雜音

培林損壞

更換受傷培林

週期性雜音

異物附著齒面

檢查齒輪齒面

嘶嘶聲

油量不足

添加潤滑油

斷續性雜音

潤滑油不潔

更換潤滑油

振動

固定底座振動

安裝平面歪斜

重新調整固定底座

出力軸振動

培林損壞

更換損壞培林

內部齒輪零件振動

齒輪受傷

更換受傷齒輪

本體振動

齒輪組安裝不良

重新調整齒輪組

漏油

油封漏油

油封硬化

更換損壞油封

本體漏油

本體有砂孔

更換砂孔本體

結合面漏油

O-型環損壞

更換損壞O-型環

過熱

油封

油封太緊

更換太緊油封

本體過熱

過負載

重新計算負載馬力

缺潤滑油

油量不足

加入潤滑油

馬達過熱

馬達不良

更換新馬達

东莞市宇强机电科技有限公司 版权所有 © Copyright 2019